0 引言
隨著社會的發展,對工業化的要求程度越來越高,各種電器的使用使人們對電力的需求和依賴性都越來越大。在電力供電系統中,為了提高電網的功率因數,節約電能,提高供電質量,改善供電環境,無功功率補償裝置被廣泛應用于電力供電系統。
無功補償的具體實現方式主要為:把具有容性功率負荷的裝置與感性功率負荷并聯接在同一電路,能量在兩種負荷之間相互交換。這樣,感性負荷所需要的無功功率可由容性負荷輸出的無功功率補償。
目前,低壓無功補償內使用的電力電容器裝置,經常會選用微型斷路器作為保護,也經常發生一些事故和災害。為了讓潛在的危害盡可能地少發生,需要了解微型斷路器相關知識及保護特性,也要了解電力電容器的配套要求。
1 電容器標準對其配套元件的要求
用于低壓補償柜內的斷路器,主要是用來保護其內部的電力電容器及其相關電氣元件。
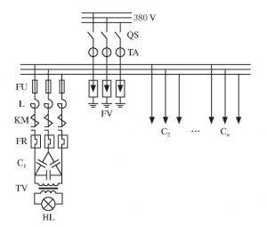
根據GB 50227—2008的4.2.9的條款要求,低壓并聯電容器裝置宜裝設以下配套元件:總回路刀開關和分回路投切器件、操作過電壓保護用避雷器、短路用的保護熔斷器、過載保護器件、限流線圈、放電器件及諧波含量超限保護、自動投切控制器、保護元件、信號和測量表計等配套器件,接線圖如圖1所示。
在圖1中,QS為刀開關或隔離開關,TA為電流互感器,FV為避雷器,FU為熔斷器,L為電抗器或限流線圈,KM為交流接觸器,FR為熱繼電器,C1、C2、…、Cn為電容器,TV為放電線圈,HL為照明指示燈。
圖1 低壓并聯電容器裝置元件配置接線
注:C2及Cn回路元件配置同圖左側。
根據GB 50227—2008的5.3.1要求,應用于并聯電容器裝置的斷路器選型,應采用真空斷路器或SF6斷路器等適合于電容器組投切的設備,其技術性能應符合斷路器共用技術要求,尚應滿足下列要求:
(1)應具備頻繁操作的性能;
(2)合、分時觸頭彈跳不應大于限定值,開斷時不應出現重擊穿;
(3)應能承受電容器組的關合涌流和工頻短路電流以及電容器高頻涌流的聯合作用。
2 實際電容柜廠家的配套使用情況
目前電容器配套有以下幾種用法:
(1)逐漸使用低壓斷路器作為保護元件
如圖1所示,總線回路開關使用框架式斷路器ACB替代刀開關QS,用塑殼斷路器(MCCB)替代熔斷器FU和電抗器L,用微型斷路器(MCB)替代接觸器KM和熱繼電器FR。
(2)使用MCB和熱繼電器作為保護元件
如圖1所示,他們使用MCB替代熔斷器FU和電抗器L,其它不變。
(3)使用刀熔開關、MCB和熱繼電器作為保護元件
按圖1所示,使用刀熔開關替代刀開關QS,用微型斷路器MCB替代熔斷器FU和電抗器L,其它不變。
(4)按GB 50227標準要求的方案來配置
即圖1所示,此種情況最為合理。
3 對上述電容器配套使用情況分析
3.1 關鍵元件的分析
作為總回路刀開關QS是對總回路電流的接通和分斷。
熔斷器FU主要是對分回路進行過電流保護,它是根據電流的熱效應工作,當電流超過規定值一段時間后,以其自身產生的熱量使熔體熔化,從而使電路斷開;它的優點為:價格低廉、過電流保護效果好(因為動作快速且分斷短路電流時,不產生噴弧,對其周邊元件和設備不會產生傷害);缺點為:安裝不太方便,反時限電流保護范圍小,分斷短路電流后,需要更換熔體,不能實現遙控。
避雷器FV主要用來抑制電氣回路中產生的操作過電壓。
電抗器L主要用來限制電網電壓突變和操作過電壓引起的電流沖擊;另外,電抗器也是用來抑制諧波以及用來限制電容器合閘時過高的涌流值。
接觸器KM主要用來對電氣回路進行快速接通和斷開的頻繁操作控制。
熱繼電器FR主要利用電流的熱效應對電氣回路進行過載保護。
放電線圈TV與電容串聯,起放電作用,就是當系統斷電的時候,放電線圈可以卸除電容里的剩余電量。
3.2 電容器的特殊性
電容器在投切運行時,在投入瞬間出現較高的頻率和較大幅值的電流(涌流)和過電壓,嚴重時伴隨諧波的產生。
按GB 50227—2008的5.5.3要求,電容器合閘涌流最高可達到電容器組額定電流的20倍。
另外,電容器作為容性載荷,負載超前電壓的相位角為90°,對線路上的元件產生較大的傷害。
3.3 電容器配套情況分析
在上述第2章節(1)、(2)、(3)中,都為取消熔斷器FU及電抗器L,如此,電網電壓突變、操作過電壓引起的電流沖擊及涌流等直接施加給斷路器,斷路器容易受到過度傷害而造成保護失效;另外,斷路器在分斷短路電流瞬間會產生噴弧,對電容柜內其它元件造成傷害。
對上述第2章節(1),由于取消接觸器KM,MCB為非頻繁操作元件,此場合下,MCB因為頻繁通斷電流易受到傷害而造成保護失效;且由于去除熱繼電器FR,電流的熱效應對電氣回路中的元件傷害而不能及時被保護,從而發生電氣事故。
4 對MCB用于電容器裝置的注意事項
用于保護電容器裝置的MCB,在選用時要注意以下方面:
(1)MCB只能用于保護中小型容量的電容器載荷系統,容量一般為40 kvar以下。
(2)注意電氣配套元件的選用,見圖1,用MCB替代熔斷器FU,但電抗器L、接觸器KM、熱繼電器FR等應保留。
(3)盡可能選用額定短路分斷能力不低于10 k A的MCB。
(4)要根據電容器的規格,確定選用合適技術參數及規格的MCB。
(5)選用的電容器及接觸器應符合GB 50027的相關要求。
(6)電容柜內的連接導線或匯流排應符合相關GB 7251.1—2013、GB 7251.12—2013等標準要求,型號規格正確,安裝接線及帶電導體間的電氣距離等應符合標準及規范要求。
(7)所有配套元件及電容器安裝完畢,需要仔細檢查,對電容器的放電部件進行放電(除非此電容器本身有自動放電的部件),確定無誤后,人工進行試運行,此步驟要注意操作元件的次序,具體為:首先閉合MCB—關上電容柜門—總回路控制開關(刀開關或隔離開關)合閘—電容器控制器得電—轉換柜組控制開關,使電容器投入切換工作。
運行過程中有異常情況,應立即停止,斷電檢查,故障排查完畢,要對電容器的放電部件進行放電(除非此電容器本身有自動放電的部件,此點要注意,曾經見到運行檢查人員,在未對電容器的放電部件進行放電的情況下,直接閉合MCB,導致MCB當場爆炸,噴出的電弧傷害臨近的MCB即柜體底板,幸而未傷害到人體,事故未擴大)。
在試運行時,對于一臺電容柜內有多組電容器的情況,不要同時啟用讓多組電容器同時切換投入工作,要依次、逐組性地讓其切換投入工作。
5 確定選用MCB的技術參數
5.1 確定選用微型斷路器的額定電流In
根據標準要求,選用斷路器的額定電流為(1.37~1.5)Ic(Ic為電容器額定電流),實際中常常取用In=1.5Ic。
如電容器未標明額定電流,可通過下述的公式計算:

式中:Q—電容器的容量,kvar;
U—電容器的工作電壓,kV。
示范舉例:有一臺電容器,工作電壓為400 V,容量30 kvar,求其額定電流。
根據公式(1):
實際上,可以根據電工手冊的經驗公式來估算,其估算公式:
如上例,Ic=1.5Q=1.5×30=45(A)。
5.2 確定MCB可用于保護電容器的容量范圍
根據5.1中的公式(2),可用MCB來保護的電容器最大容量(目前短路分斷能力為10 k A及以上的MCB,其額定電流為63 A):
Q=63×2/3=42(kvar)。
則電容器最大容量規格為40 kvar。
但在實際應用中,可能涉及一些影響因素,如高溫環境、密閉柜體內散熱不良等影響因素,需要對選用的保護斷路器降容使用,一般根據使用的環境及場合,降容系數約為0.9。
6 結語
隨著短路高分斷能力MCB的問世,MCB用于保護電容器載荷的場合也會越來越多,但要真正讓MCB正常用于該場合,且發揮其應有的保護效果,要有一個過程,這也是MCB生產廠家與低壓無功補償柜的生產公司共同研究的課題。這不僅需要提高MCB的短路分斷能力,還需要解決其在分斷額定短路電流時,不能有明顯噴弧。
