1 引言
IGBT自發明以來, 其應用領域不斷擴展。它不僅在工業應用中取代了MOSFET, GTR, 甚至已擴展到SCR, GTO占優勢的大功率應用領域, 還在消費類電子應用中取代了雙極性晶體管BJT, MOSFET功率器件的許多應用領域。IGBT額定電壓和額定電流所覆蓋的輸出容量已達到6MVA, 商品化IGBT模塊的最大額定電流已達到3.6k A, 最高阻斷電壓為6.5k V, 并已成功應用在許多中、高壓電力電子系統中。另一方面, 由于IGBT具有電導調制效應, 電流密度比MOSFET的大, 因而在同等容量下, 其成本比MOSFET的低。一種短拖尾電流, 高頻類600V IGBT分離器件已面世, 其硬開關頻率可達150k Hz, 已進一步擴展到功率MOSFET的應用領域。用高頻IGBT分離器件替代功率MOSFET具有成本低, 可靠性高的優勢。
由于MOSFET, IGBT是驅動功耗十分低的電壓驅動型功率半導體開關器件, 它們將進一步促進功率半導體集成技術 (PIC, IPM等) 的快速發展, 進而易于與信息電子技術密切結合, 由它們所引起的電力電子技術的變革堪稱是一場革命。
IGBT是一個工作原理復雜的集成功率半導體器件。結構上, IGBT幾乎集成了半導體器件的所有基本結構, 如二極管、BJT、結型場效應晶體管JFET, MOSFET, SCR。IGBT的結構參數發生變化, 將引起其性能發生相應的變化。工藝技術上, IGBT利用MOS集成電路工藝進行大面積的功率集成, 設計上表現為單元胞尺寸的縮小, 并聯集成的元胞數量越多, 通態壓降 (導通損耗) 逐漸減小。IGBT的工藝設計尺寸規則已從5μm先進到0.5μm的亞微米工藝, 晶片加工已從”100mm發展到”200mm。
2 IGBT基本結構與主要發展方向
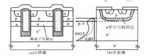
2.1 基本結構——PT-IGBT
圖1示出已成熟投產的穿通型IGBT (Punch Through IGBT, 簡稱PT-IGBT) 的原理結構。

圖1 平面型PT-IGBT基本結構與工作原理示意圖
這里要特別指出: (1) 理論上, 發射極總電流由與PIN二極管串聯的MOSFET, pnp晶體管和pnpn晶閘管3部分電流組成, 其相對大小與具體結構和工作條件有關。正常的IGBT要避免晶閘管的作用, 控制晶體管的作用; (2) 在每個元胞的p型阱區中心處鋁電極將pn結短路, 并且加深n型源區下的p阱深度, 兩者均為了抑制晶閘管的作用, 避免鎖定; (3) p+集電區與n-耐壓層之間加入一個n+緩沖層, 其作用是用更薄的n-層得到同樣的耐壓, 從而減小通態壓降和開關時間; (4) 必須采用電子輻照等壽命控制技術, 以提高開關速度。
2.2 IGBT的發展方向
上述PT-IGBT已獲得了比VD-MOSFET更低的通態壓降, 以及比雙極功率器件更高的工作頻率, 而且驅動電路簡單, 功耗小。但它還有許多需要改進的地方: (1) 需進一步降低功耗, 包括減小通態電阻, 以降低通態損耗, 減短開關時間, 以降低開關損耗; (2) 改善溫度性能。由于過剩載流子壽命隨溫度升高而變長, 采用壽命控制技術的PT-IGBT, 其UCE sat和Ron具有負溫度系數, 因而不利于IGBT并聯使用, 關斷損耗Eoff具有正溫度系數, 會增大高溫功耗; (3) 擴展SOA; (4) 降低制造成本等。
3 改進IGBT性能的技術新概念
3.1 透明集電區技術
集電區層 (下層) 結構的新概念———透明集電區技術, 把IGBT集電極的空穴注入效率降低到0.5以下, 使通過集電結的總電流中電子流起主要作用, 一般達70%以上。在IGBT關斷時, n-區存儲的過剩電子能透過集電區迅速流出, 實現快速關斷。因此, 無需用壽命控制技術。這樣不僅得到了高開關速度, 更重要的是具有了UCE sat和Ron正溫度系數的寶貴性能, 同時關斷損耗隨溫度變化也很小。這種溫度性能可粗淺理解為透明集電區IGBT更接近于n-區電導調制的MOSFET。
3.2 電場中止技術
n-耐壓層 (中層) 結構的新概念———電場中止 (Field Stop, 簡稱FS) 技術, 其核心是在n-耐壓層與p型集電區之間加入一個比n-區寬度小而摻雜濃度更高的n+型緩沖層。按照泊松方程使電場強度在該層中迅速減小到零而達到電場中止, 同時提高n-區的電阻率, 從而以較薄的耐壓層實現同樣的擊穿電壓。其主要優點是, 耐壓層的減薄可使通態電阻降低和關斷損耗減小, 后者是因為通態時存儲的載流子總量減少。圖2示出n-區的3種寬度設計選擇: (1) 耗盡層在工作電壓和擊穿電壓下都穿通的n-區, 屬于重穿通, 為FS型; (2) 耗盡層在工作電壓下不穿通, 而在擊穿電壓下穿通n-區, 屬于輕穿通, 輕穿通 (LPT) FS有時也稱為“軟穿通” (SPT) , 亦為FS型; (3) 耗盡層在工作電壓和擊穿電壓下都不穿通n-區, 此時無需緩沖層, 為非穿通型。

圖2 各種IGBT中工作電壓和擊穿電壓下電場分布比較
3.3 近表面層 (上層) 結構的新概念
形成PT-IGBT之后, IGBT芯片結構上層采用的各種新設計概念主要是為了減小UCE sat, 亦即Ron。這類新設計概念較多, 擇要如下。
(1) 溝槽柵技術該技術是在IGBT的Si片正面挖許多淺而密的溝槽, 把柵氧化層和柵電極做在溝槽側壁上, 因而MOSFET的溝道就成為沿溝槽側壁的垂直溝道, 圖3示出溝槽柵IGBT結構。其優點是: (1) 消除了Ron組成部分中的RJFET; (2) 溝道呈縱向, 每個元胞占據表面積小, 所以單位面積芯片中溝道數與溝道總寬度增加, Rch減小且正比于溝道的寬/長比; (3) 適當的溝槽寬度與間距可以提高n-區近表面層的載流子濃度。以上3項特點都能使Ron比平面柵結構有明顯減小。但是也有相伴而生的缺點: (1) 溝道寬度過大, 使柵電容過大, 對開關速度有影響; (2) 不適當的設計會使IGBT的短路電流過大, 短路安全工作成問題; (3) 挖出表面光滑的槽壁, 在技術上困難較大, 不光滑的表面會影響擊穿電壓, 降低生產成品率。

圖3 溝槽柵IGBT結構
(2) 近表面層載流子濃度增高技術一般IGBT中, 從p型集電區注入到n-耐壓層的空穴向上表面運動過程中濃度逐漸降低, 所以n-區中越接近表面處電導調制作用越弱, 電阻越大。近表面層載流子濃度增高技術就是用各種方法提高n-區中近表面處的電子空穴對濃度, 以最大限度地減小通態電阻。目前, 采用的主要措施是: (1) 加大pnp管橫向間距技術。在IGBT中, MOSFET與pnp管是達林頓接法, pnp管的集電結永遠處于反偏, 所以n-基區上邊緣近pnp管集電結處空穴濃度很低。具體實現方法是:隔幾個元胞設置一個pnp管, 這對平面柵和溝槽柵都適用, 圖4示出IEGT中用的結構。對溝槽柵IGBT還可簡單地加寬溝槽的寬度來實現。 (2) 空穴阻擋層, 即載流子存儲層技術。圖5示出該技術結構示意圖。該技術之一是在IGBT中pnp管的p型集電區周圍用一個摻雜濃度略高于n-區的n層包圍, 借助n/n-高低結的接觸電勢差, 使n型相對于n-型具有更高電位, 從而成為使n型相對于n-型具有更高電位, 從而成為阻擋空穴向pnp管集電區流動的勢壘, 可以提高n-基區上邊界附近的空穴濃度, 改善電導調制, 減小Ron中的RPIN。

圖4 IEGT的上層結構及響應的載流子濃度分布

圖5 空穴阻擋層技術結構示意圖

圖6 EP-IGBT技術
該技術之二被稱為平面增強 (EP-IGBT) 技術, 是對上述技術的一種改進, 圖6示出EP-IGBT結構。研究證明, 圖5b的平面型空穴阻擋層技術存在擊穿電壓降低的問題, 因為位于p阱拐角處的摻雜濃度較高的n型空穴阻擋層有降低擊穿電壓的不良作用。所以, 改進的用于平面IGBT的空穴阻擋層技術只保留在p阱側面和正下方的n型附加層, 去除p阱拐角處的n型附加層上, 既顯著減小了Ron, 而又不降低擊穿電壓, 可保持很好的RBSOA效果。
4 實際IGBT舉例
4.1 非透明集電壓穿通型 (PT-IGBT)
PT-IGBT是歷史上沿用下來的名稱, 并不嚴謹。應當在其前冠以“非透明集電區”才與其結構相符, 才能與近年新發展起來的大量透明集電區穿通型IGBT相區別。這里仍沿用PT-IGBT這一名稱。它是在p+硅襯底上外延n+緩沖層和n-耐壓層, 然后在n-耐壓層表面用光刻、氧化、離子注入、熱擴散、淀積多晶硅等一系列微電子制造工藝形成MOSFET結構。
4.2 透明集電區非穿通型 (NPT-IGBT)
它采用了透明集電區新技術概念。以NPT-IGBT為開端, 透明集電區技術的應用開辟了IGBT發展的新紀元。應當在沿用至今的NPT-IGBT前面冠以‘透明集電區’, 才能與1980年IGBT發明初期就出現過的外延型非穿通型IGBT相區別。圖7示出1.2k V NPT-IGBT和PT-IGBT兩者結構和性能的比較。圖7b示出1.2k V系列NPT-IGBT的大致結構參數, n-區厚175~220μm (對600V系列, 約為100μm) 。它是在浮帶區熔中子嬗變摻雜的高阻n-單晶硅片上制造MOSFET結構的, 然后在背面研磨減薄到所需的上述厚度后, 從背面進行硼離子注入形成p型集電區, 再做背面金屬電極而成。現代離子注入技術可精確地控制注入劑量和能量, 使NPT-IGBT參數離散性十分小。NPT-IGBT制造中用離子注入制造成的p型集電區的厚度不足1μm, 有意識地將摻雜濃度控制到遠低于PT-IGBT的p+襯底中的濃度, 于是集電極空穴注入效率遠低于0.5, 實現了透明集電區的要求。集電極電流中大部分為電子電流, 而不是空穴電流, 其工作機理以電導調制MOSFET為主。

圖7 1.2k V NPT-IGBT與PT-IFBT結構及性能比較
由于采用了透明集電區技術, 使得NPT-IGBT與PT-IGBT相比, 具有以下主要性能特點:通態電壓UCE sat呈正溫度系數, 見圖7c;功耗和電流拖尾隨溫度的變化小;功耗與PT-IGBT處于同一技術曲線上的高速度端 (PT-IGBT處于低通態壓降端) ;因不用外延片和不用壽命控制技術而成本低。
開發NPT-IGBT的初衷是擺脫昂貴的高阻外延片, 以降低1.7k V以上高壓IGBT的制造成本, 因為厚度100μm以上的外延技術困難且成本極高, 而透明集電區NPT-IGBT具有的電壓正溫度系數、開關速度快和可靠性高的優良性能使它極具吸引力。所以, 趨于朝1.2k V和600V低壓IGBT方向發展, 但它們的制造過程分別需要加工175μm和100μm的薄硅片, 碎片和翹曲等問題將嚴重地影響生產成品率, 成為極大的挑戰。
4.3 場中止型IGBT (FS-IGBT)
實際上現在所說的FS-IGBT類產品基本都是FS技術和透明集電區技術新概念的聯合, 而不是單純的FS技術。它是在NPT-IGBT基礎上為進一步降低功耗而發展起來的。從原理上講, FS-IGBT包括重穿通和輕穿通型兩種, 各制造廠家也有不同的名稱, 如FS-IGBT, 軟穿通IGBT (Soft-Punchthrough IGBT, 簡稱SP-IGBT) [4]和LPT IGBT, 薄片PT-IGBT等等。
圖8示出結構、載流子分布和功耗的比較圖。相對NPT來說, FS技術的加入, 使得采用更薄的n-耐壓層能達到: (1) 與NPT-IGBT同樣的擊穿電壓; (2) 電阻更小, 可降低UCE sat; (3) 導通時存儲的過剩載流子總量減少, 使關斷時間縮短, 因而Eoff小。


4.4 透明集電區溝槽柵場中止型IGBT
透明集電區溝槽柵場中止型IGBT (Trench FS IGBT) 是挖槽 (Trench) 技術、FS技術和透明集電區技術新概念的集大成, 它具有最低的功率損耗。因單位面積功率損耗顯著減小, 因此可用較小面積的芯片制造出同樣額定電流和額定功率的器件。以1.7k V IGBT為例, Trench FS IGBT的芯片面積比前一代非Trench產品減小了1/3, 降低了制造成本, 而且飽和壓降也大大降低。然而, 挖槽以后會在加工過程中增加芯片的翹曲, 變形等問題, 使制造難度比FS-IGBT更大。
4.5 軟穿通IGBT
軟穿通 (Soft-Punch-Through, 簡稱SPT) IGBT原理上屬于FS-IGBT的一種, 都是電場中止技術與透明集電區技術的結合, 從功耗折衷表曲線來看, 屬于同一代技術。但是SPT-IGBT具有以下結構特點: (1) n-耐壓層相對許多FS-IGBT來說略寬一些, 屬于圖2b所示的輕穿通型; (2) n型電場中止層, 即緩沖層是從硅片背面熱擴散形成的, 其平均摻雜濃度較低, 并且是從n-/n界面開始濃度逐漸變高。SPT+是為了進一步減小UCE sat而在SPT結構上再加上圖6所示的EP-IGBT近表面層新技術, 使125℃時的UCEsat比SPT又減小25%, 而其他特點保持不變。
4.6 注入增強柵晶體管IEGT
注入增強柵晶體管 (Injection Enhanced Gate Transistor, 簡稱IEGT) 是IGBT的一種, 其最大技術特征是采用了加寬pnp管間距的近表面層注入載流子濃度增強技術, 見圖5。IEGT也有許多結合其他先進技術的不同結構。最先進的IEGT是表面層注入載流子增強技術與Trench技術、FS技術、透明集電區技術和局部載流子壽命控制技術的集大成產品, 其目標是在高壓大電流領域取代GTO, 并在開關速度上超過GTO。
4.7 高電導率IGBT和空穴阻擋層溝槽柵IGBT
高電導率IGBT (High-Conductivity IGBT, 簡稱Hi GT) 有很多不同結構。它在非透明集電區PT-IGBT的基礎上, 采用圖5的空穴阻擋層技術使UCE sat顯著降低, 總功耗也隨之顯著降低。Hi GT也有平面柵和溝槽柵兩種, 后者性能更好, 但加工過程也更復雜。與IGBT相比Hi GT的最大特點是, 由于靠近空穴阻擋層處空穴濃度顯著升高, 使UCE sat顯著減小, 但其最大集電極自限定電流并不增大, 非常有利于短路安全工作。此外, 雖然仍采用壽命控制技術, 但UCE sat具有正溫度系數, 利于并聯使用和熱穩定。應用空穴阻擋層技術的溝槽柵IGBT又稱為CSTBT。
5 結束語
IGBT自誕生以來的二十余年獲得了迅速發展。下層結構透明集電區技術的應用降低了制造成本, 改善了溫度性能和開關性能;中層結構電場中止技術的采用降低了通態損耗和開關損耗;上層結構溝槽柵技術和載流子增強技術的采用大幅度降低了飽和電壓, 提高了額定電流;終端處理技術的進步使平面技術已能制造6.5k V額定電壓的器件。但是在電壓、電流范圍方面還不能完全取代GTO, 在工作頻率上還未能從幾十千赫茲推進到幾百千赫茲。
